最全CAD圖例集||安全、環保、消防、化工、儀表、暖通、給排水。。。都需要
線型及其含義:


比例:

水、汽管道代號:


工藝管道施工圖常用圖例:


水、汽管道閥門和附件圖例:


給排水、采暖常用圖例:

通風空調工程常用圖例:

風道代號:

風道、閥門及附件圖例:


風口和附件代號:

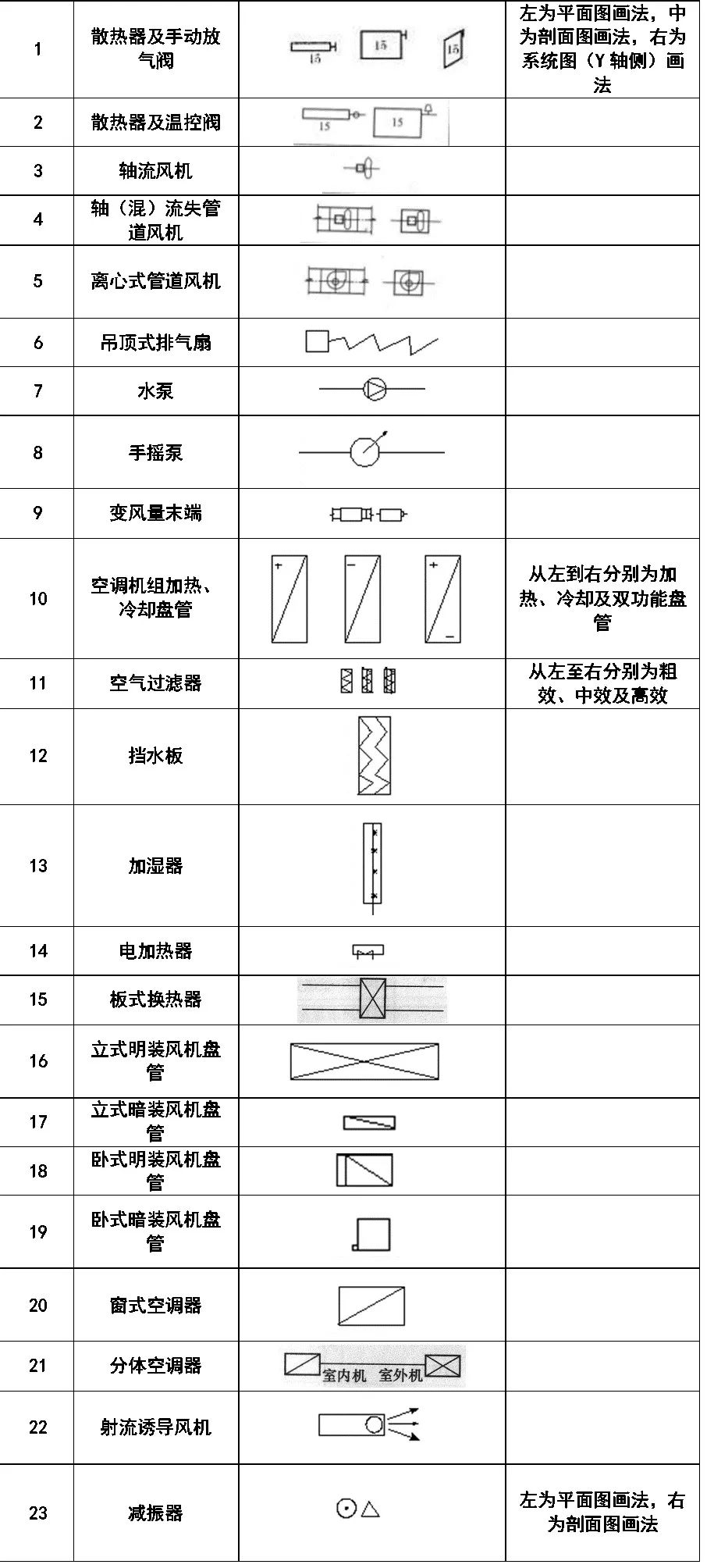
暖通空調設備圖例:

調控裝置及儀表圖例:


各種執行機構可與風閥、水閥組合 表示相應功能的控制閥門。
消防工程基本圖形符號:

消防工程輔助符號:

消防工程滅火器符號:

消防管路及配件符號:

消防工程固定滅火器系統符號:

消防工程滅火設備安裝處符號:

消防設施:


消防工程自動報警設備符號:

管道圖例:


管道附件:


管道連接:

管件:

常見閥門:


給水配件:

小型給水排水構筑物:

給水排水設備:

儀表:

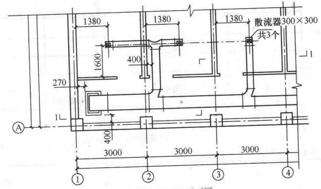
管道和設備布置平面圖、剖面圖示例:
管道和設備布置平面圖應按假象除去上層板后俯視規則繪制,其相應的垂直剖面圖應在平面圖中表明剖切符號。

標準層平面圖

平、剖面示例
平面圖、剖面圖索引符號的畫法:
平面圖、剖面圖中的局部需另繪詳圖時,應在平、剖面圖上標注索引符號。索引符號的畫法見下圖。

索引符號的畫法
內視符號畫法:
當表示局部位置的相互關系,在平面圖上應標注內視符號。

內視符號畫法
系統編號:
1、一個工程設計中同時有供暖、通風、空調等兩個及以上的不同系統時,應進行系統編號。
2、暖通空調系統編號、入口編號,應由系統代號和順序號組成。
3、系統代號用大寫拉丁字母表示,順序號用阿拉伯數字表示。當一個系統出現分支時,可采用下圖的畫法。
系統代號:


立管號的畫法:
豎向布置的垂直管道系統,應標注立管號,在不一致引起誤解時,可只標注序號,但應與建筑軸線編號有明顯區別。

立管號的畫法
管道相對標高的畫法:
1、在無法標注垂直尺寸的圖樣中,應標注標高。標高應以m為單位,并應精確到cm或mm。
2、標高符號應以直角等腰三角形表示。當面標準層較多時,可只標注與本層樓(地)板面的相對標高。
3、水、汽管道所標高未予說明時,應表示為管中心標高。
4、水、汽管道標注管道外底或頂標高時,應在數字前加“底”或“頂”字樣。
5、矩形風管所注標高應表示管底標高;圓形風管所注標高應表示管中心標高。當不采用此方法標注時,應進行說明。
6、平面圖中無坡度要求的管道標高可標注在管道截面尺寸后的括號內。必要時,應在標高數字前加“底”或“頂”的字樣。

相對標高的畫法
管道截面尺寸的標注符號及畫法:
1、低壓流體輸送用焊接管道規格應標注公稱通徑或壓力。公稱通徑的標記應由字母“DN”后跟一個以亳米表示的數值組成;公稱壓力的代號應為“PN”。
2、輸送流體用無縫鋼管、螺旋縫或直縫焊接鋼管、銅管、不銹鋼管,當需要注明外徑和壁厚時,應用“D(或Φ)外徑×壁厚”表示。在不致引起誤解時,也可采用公稱通徑表示。
3、塑料管外徑應用“de”表示。
4、圓形風管的截面定型尺寸應以直徑“Φ”表示,單位應為mm.
5、矩形風管(風道)的截面定型尺寸應以“A×B”表示。“A”應為該視圖投影面的邊長尺寸,“B”應為另一邊尺雨。A、B單位均應為mm。
6、水平管道的規格宜標注在管道的上方;豎向管道的規格宜標注在管道的左側。雙線表示的管道,其規格可標注在管道輪廓線內。

管道截面尺寸的畫法
多條管線的規格標注方法:

多條管線規格的畫法
風口、散流器表示方法:

風口、散流器的表示方法
定位尺寸的表示方法:

定位尺寸的表示方式
單線管道轉向的畫法:

單線管道轉向的畫法
雙線管道轉向的畫法:

雙線管道轉向的畫法
單線管道分支的畫法:

單線管道分支的畫法
雙線管道分支的畫法:

雙線管道分支的畫法
送風管轉向的畫法:

送風管轉向的畫法
回風管轉向的畫法:

管道斷開的畫法:
平面圖、剖視圖中管道因重疊、密集需斷開時,應采用斷開畫法。

管道斷開的畫法
管道在本圖中斷的畫法:
管道在本圖中斷,轉至其他圖面表示(或由其他圖面引來)時,應注明轉至(或來自的)的圖紙編號。

管道在本圖中斷的畫法
管道交叉的畫法:

管道交叉的畫法
管道跨越的畫法:

管道跨越的畫法
智淼君安(江蘇)消防工程技術有限公司http://m.yemaihua.cn/海灣消防公司主營:海灣消防報警系統銷售,消防設備安裝,海灣氣體滅火、海灣電氣火災、消防水噴淋系統施工安裝,售后維修,海灣消防網站:http://m.yemaihua.cn/;海灣消防服務熱線:4006-598-119
本頁關鍵詞:最全CAD圖例集||安全、環保、消防、化工、儀表、暖通、給排


蘇公網安備32058102002147號